[3-171DST]
DST Flat Rods FS variable








Advantages
- For product system 3-150DST.
- The rod end with five holes has to mounted on the swinghandles of product system 3-150DST.
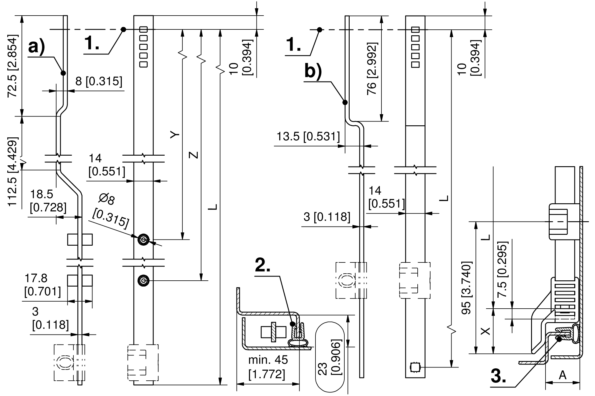
- Flat rod a) with brass rollers for use outside of the sealed area.
- The rollers snap into the dual hooks of product system 3-912, 3-910DST.
- Flat rod b) for use inside of the sealed area.
Material
- Swinghandle and dish: PA, black
- Snap wedges: sintered steel
- Pinion: sintered steel
- Flat rod: steel, zinc plated
Remarks
1. middle of the lock2. view outside of the sealed area
3. view inside of the sealed area
For part numbers please contact DIRAK.
Please provide the following data:
For outside of the sealed area: dimensions L, Y and Z
For inside of the sealed area: dimension L (X see 3-162)
For ramp-shoe product system 3-162.
Rod guides see product systems 3-910 and 3-911.
Selected version
Product number | 208-1063.15-Lxxmm |
Installation type: | tool-less |
Delivery Unit: | on request |
Version: | for ramp-shoe |
Related Products
Accessories
Article no.
Name
208-2403.03-00018
Ramp-shoe, bending A18
Details
A = bending:
A18
Dimension X:
32,5 mm
Installation type:
tool-less
Delivery Unit:
1 pc.
208-2403.03-00020
Ramp-shoe, bending A20
Details
A = bending:
A20
Dimension X:
32,5 mm
Installation type:
tool-less
Delivery Unit:
1 pc.
208-2403.03-00025
Ramp-shoe, bending A25
Details
A = bending:
A25
Dimension X:
32,5 mm
Installation type:
tool-less
Delivery Unit:
1 pc.
208-2402.03-00023
Ramp-shoe, bending A23
Details
A = bending:
A23
Dimension X:
22 mm
Installation type:
tool-less
Delivery Unit:
1 pc.
208-1501.03-00000
Rod guide PA , 1-part, M6
Details
Name:
Rod guide PA , 1-part, M6
Fastening type:
M6
Material:
PA
Delivery Unit:
1 pc.
208-1509.03-00000
Rod guide PA , 1-part, M5
Details
Name:
Rod guide PA , 1-part, M5
Fastening type:
M5
Material:
PA
Delivery Unit:
1 pc.
208-1517.03-00000
Rod guide PA , 1-part, M6
Details
Name:
Rod guide PA , 1-part, M6
Fastening type:
M6
Material:
PA
Delivery Unit:
1 pc.
208-9790.00-00000
Rod guide stainless steel, 2-parts, M6
Details
Name:
Rod guide stainless steel, 2-parts, M6
Fastening type:
M6
Material:
stainless steel
Delivery Unit:
1 pc.
208-9791.00-00000
Rod guide zinc die, 2-parts, M6
Details
Name:
Rod guide zinc die, 2-parts, M6
Fastening type:
M6
Material:
zinc die
Delivery Unit:
1 pc.
408-9104.00-00015
DST Dual Hook
Details
Version:
RH version
Clamping range (S):
1.2 mm - 1.7 mm
Installation type:
tool-less
Delivery Unit:
1 pc.
408-9104.00-00020
DST Dual Hook
Details
Version:
RH version
Clamping range (S):
1.7 mm - 2.2 mm
Installation type:
tool-less
Delivery Unit:
1 pc.
408-9104.00-00025
DST Dual Hook
Details
Version:
RH version
Clamping range (S):
2.2 mm - 2.7 mm
Installation type:
tool-less
Delivery Unit:
1 pc.
408-9104.00-00030
DST Dual Hook
Details
Version:
RH version
Clamping range (S):
2.7 mm - 3.2 mm
Installation type:
tool-less
Delivery Unit:
1 pc.
408-9105.00-00015
DST Dual Hook
Details
Version:
LH version
Clamping range (S):
1.2 mm - 1.7 mm
Installation type:
tool-less
Delivery Unit:
1 pc.
408-9105.00-00020
DST Dual Hook
Details
Version:
LH version
Clamping range (S):
1.7 mm - 2.2 mm
Installation type:
tool-less
Delivery Unit:
1 pc.
408-9105.00-00025
DST Dual Hook
Details
Version:
LH version
Clamping range (S):
2.2 mm - 2.7 mm
Installation type:
tool-less
Delivery Unit:
1 pc.
408-9105.00-00030
DST Dual Hook
Details
Version:
LH version
Clamping range (S):
2.7 mm - 3.2 mm
Installation type:
tool-less
Delivery Unit:
1 pc.
208-1523.54-00000
Rod guide
Details
Version:
for flat rod
Installation type:
tool-less
Delivery Unit:
1 pc.
208-1446.50-00000
Dual hook
Details
Version:
with countersunk holes for M5
Material:
PA
Surface:
black
Installation type:
screw-on
Delivery Unit:
1 pc.
208-1402.00-00000
Dual hook
Details
Version:
with countersunk holes for M6
Material:
zinc die
Surface:
zinc plated
Installation type:
screw-on
Delivery Unit:
1 pc.
208-1401.00-00000
Dual hook
Details
Version:
with thread and threaded stubs for M6
Material:
zinc die
Surface:
zinc plated
Installation type:
screw-on
Delivery Unit:
1 pc.
Product Configuration
Selected version
Product number | 208-1063.15-Lxxmm |
Installation type: | tool-less |
Delivery Unit: | on request |
Version: | for ramp-shoe |
Selected additional products
[none] |