[6-503.900]
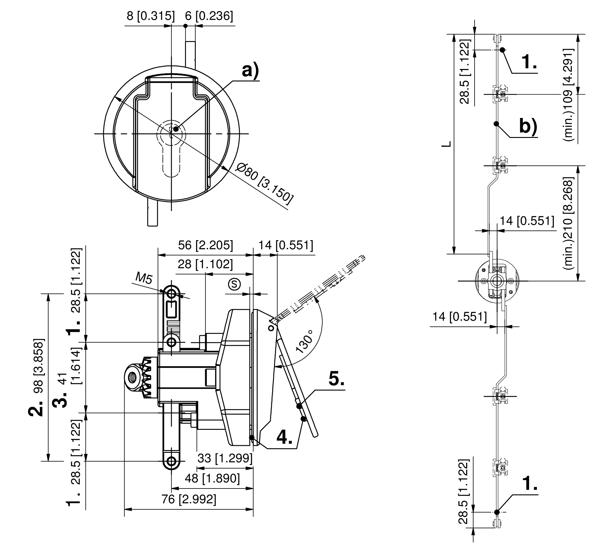
Flat rod
Available versions
Flat rod with brass rollers, special length
Product number
Bending
Version
Rod dimension WxH
Delivery Unit
b)
448-9305.00-Lxxmm
20 mm
-
14 x 3 mm
on request
b)
448-9306.00-Lxxmm
26 mm
with rollers
14 x 3 mm
on request