Skip to main content
[4-118]

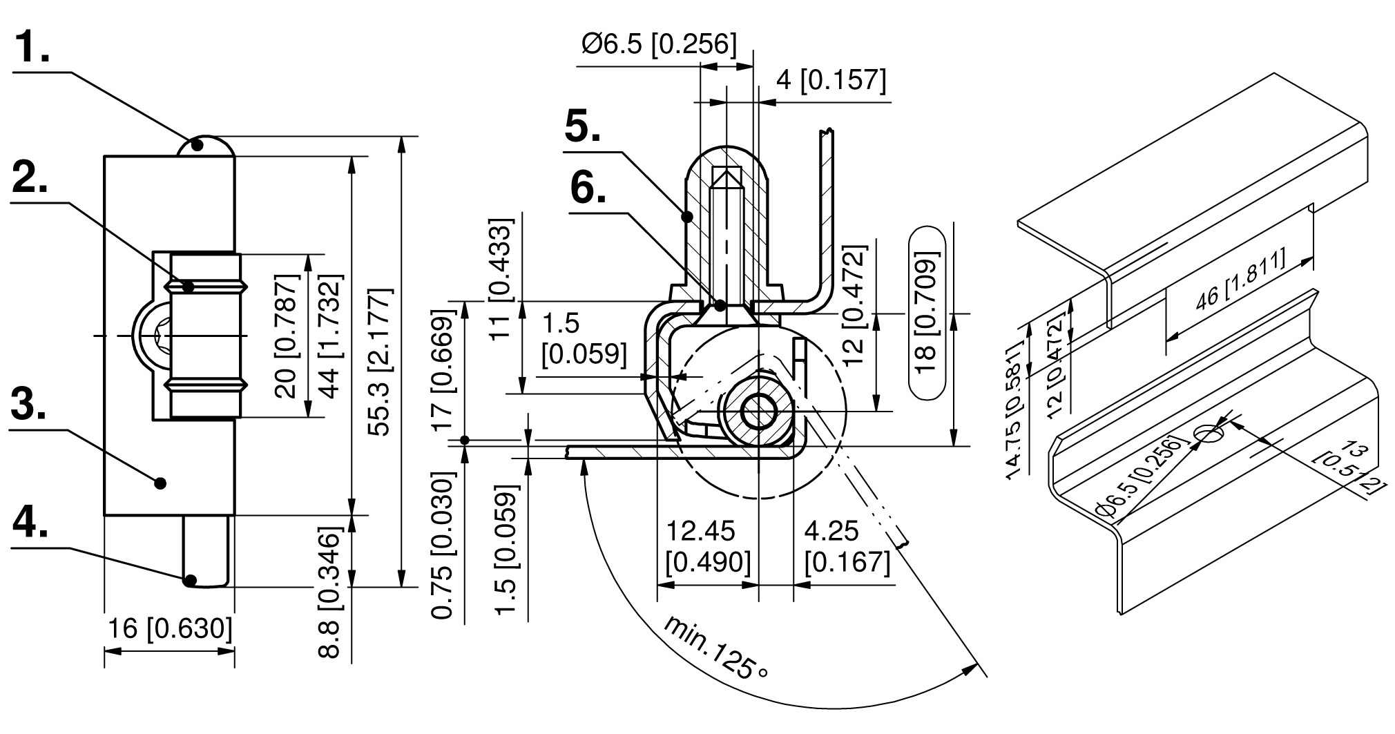
Concealed Hinge Pr03 125°

ICON_HINGE_SERIES_Pr03
ICON_ROHS
ICON_TUERANSCHLAG_LR
ICON_125_GRAD
Contact linkedin YouTube