[4-150DST]
DST Hinge Pr05 180°
Available versions
Hinge, clip-in
Product number
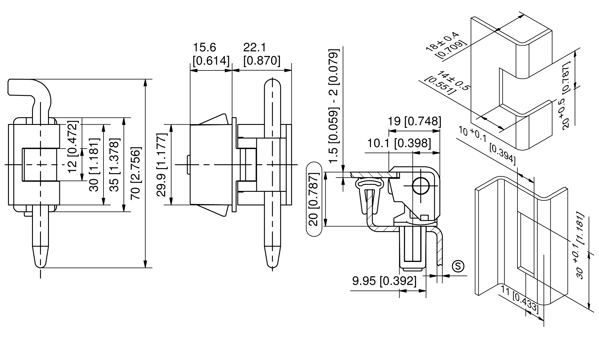
Clamping range (S)
Pin version
Installation type
Delivery Unit
412-9101.00-00015
1.2 mm - 1.7 mm
loose
tool-less
10 pcs.
412-9101.00-00020
1.7 mm - 2.2 mm
loose
tool-less
10 pcs.
412-9101.00-00025
2.2 mm - 2.7 mm
loose
tool-less
10 pcs.
412-9101.00-00030
2.7 mm - 3.2 mm
loose
tool-less
10 pcs.