Skip to main content Skip to search Skip to main navigation
[1-086]

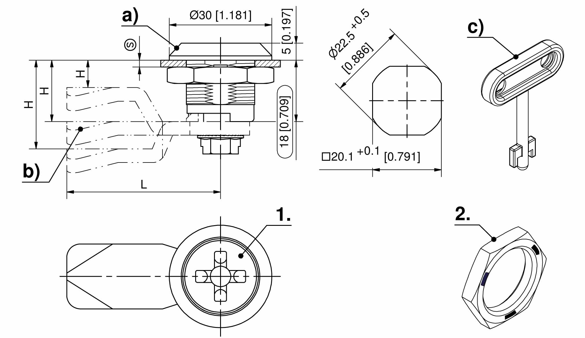
Quarter-Turn Pr.20.1 L18 with FIAT Insert

ICON_CUTOUT_20_1
ICON_DIRAK_GEERDET
ICON_IP65
ICON_MUTTER_15Nm
ICON_ROHS
ICON_TUERANSCHLAG_LR
ICON_RUNDSTANGE

Available versions

Quarter-turn with FIAT insert

Related Products

Skip product gallery

Accessories

Contact linkedin YouTube