Skip to main content Skip to search Skip to main navigation
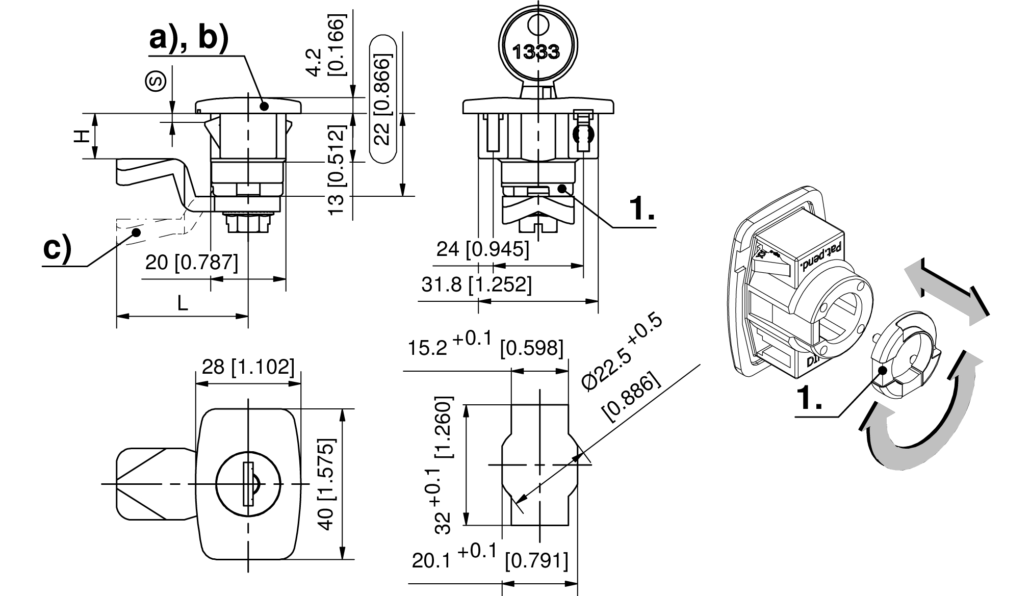
[1-120DST]

DST Cylinder Quarter-Turn Pr32x20 L22

ICON_ROHS
ICON_TUERANSCHLAG_LR
ICON_WERKZEUGLOS
ICON_DST

Related Products

Contact linkedin YouTube