[3-171]
Flat Rod FS with Dual Rollers, variable
Available versions
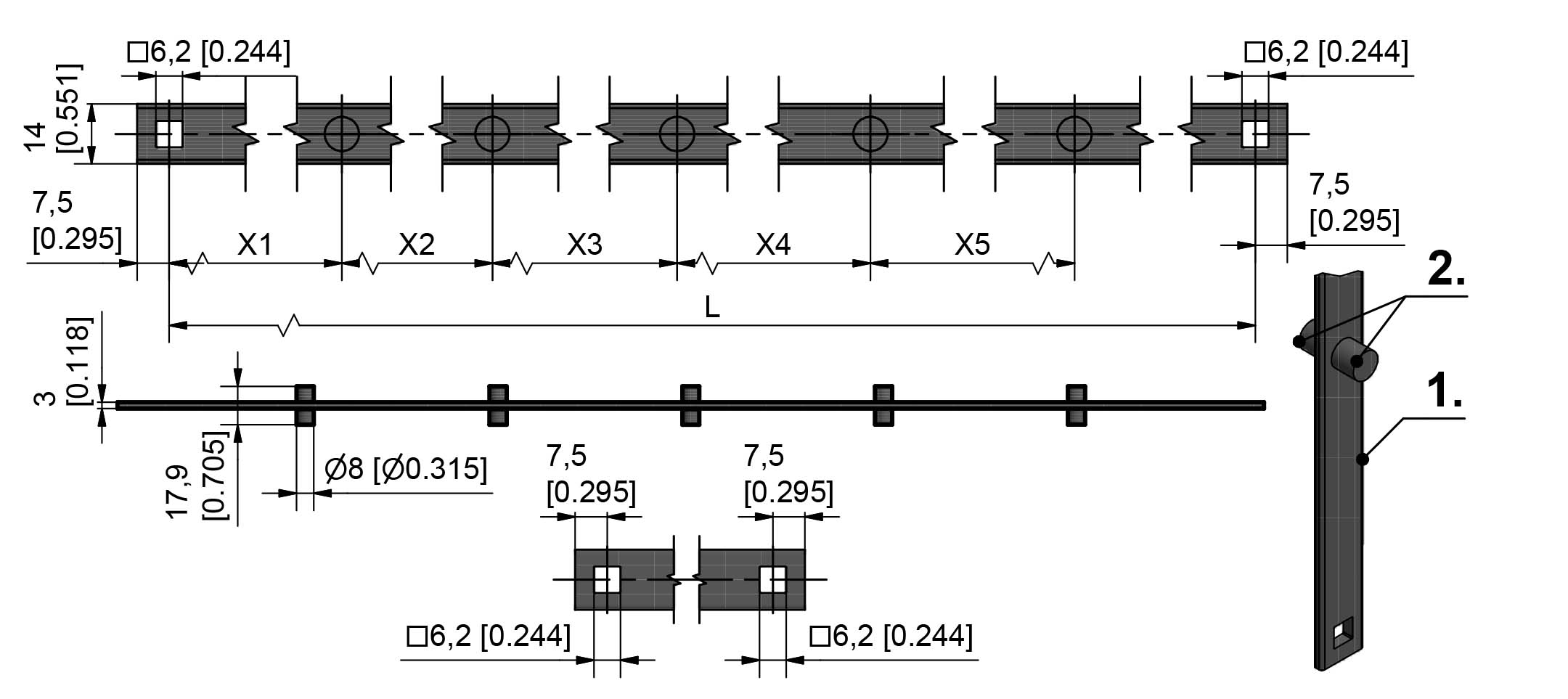
Flat rod
Product number
Version
Rod dimension WxH
Installation type
Delivery Unit
208-9844.00-Lxxmm
with rollers
14 x 3 mm
tool-less
on request