[2-077DST]
DST Swinghandle RS PrC
















Advantages
- Low profile design.
- Tool-less installation.
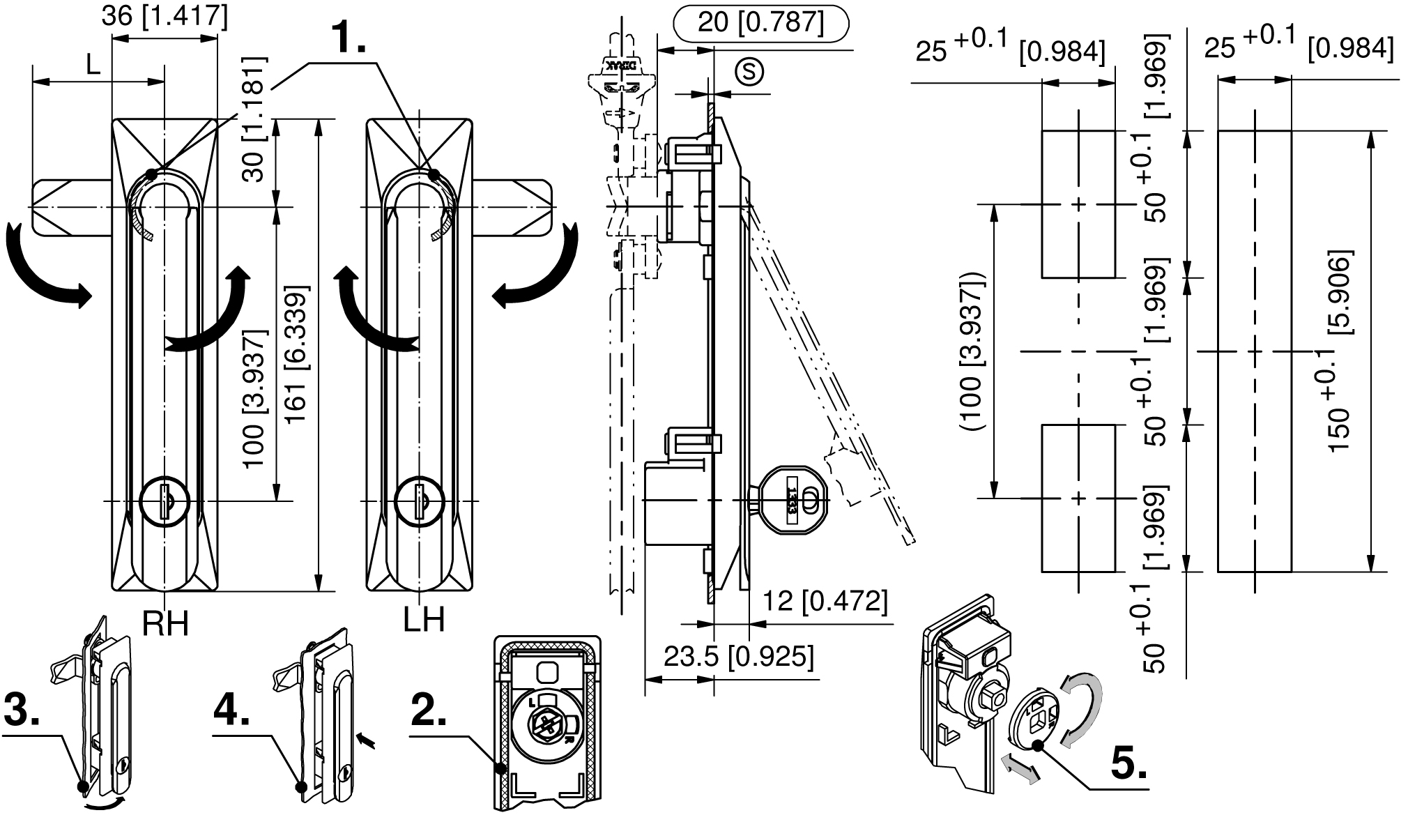
- The pre-assembled swinghandle (single or 3-point cam) can simply be snapped into the cutout. (3./4.)
- 90° Closing rotation. (1.)
- Key Cylinder DIRAK 1333 with stainless steel dust cap and 1 key with synthetic coated grip.
- Seismic-proof according to GR-63-CORE, Issue 4.
- Vibration-proof according to DIN EN 61373.
- IP65 according to DIN EN 60529 by captive sealing. (2.)
- RH / LH Application is achieved by an adjustable cam stop. (5.)
Material
- Swinghandle and dish: zinc die, black
- Seal: TPE
- Stop: zinc die, zinc plated
Remarks
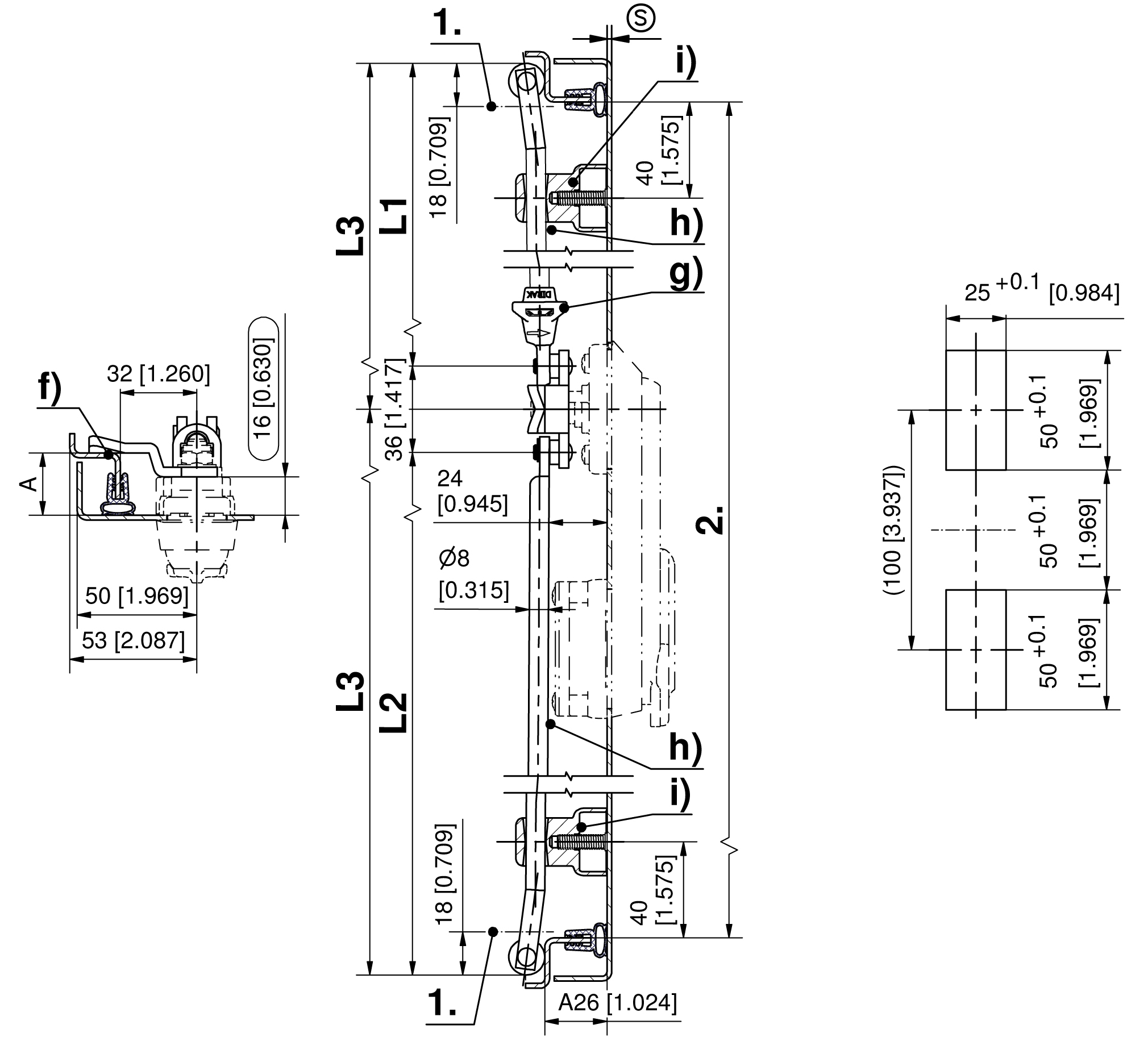
H-dimension of cam ≥16 mmDrawings for rod calculation:
1. stroke 18mm
2. clearance
Available versions
Swinghandle
Product number
Clamping range (S)
Latching type
Installation type
Delivery Unit
407-9601.00-00015
1.2 mm - 1.7 mm
keyed alike DIRAK 1333
clip-in
1 pc.
407-9601.00-00020
1.7 mm - 2.2 mm
keyed alike DIRAK 1333
clip-in
1 pc.
407-9601.00-00025
2.2 mm - 2.7 mm
keyed alike DIRAK 1333
clip-in
1 pc.
Related Products
Accessories